






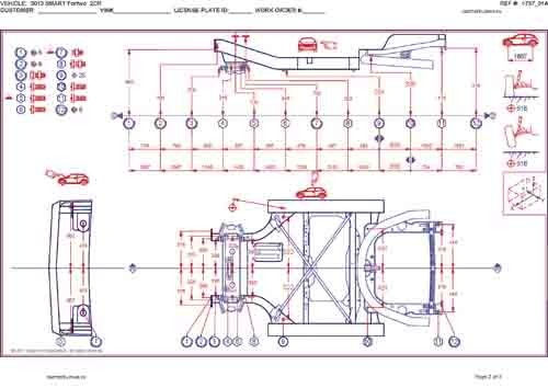
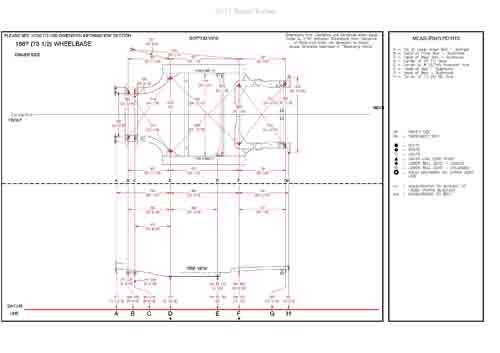
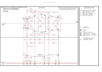
Контрольные кузовные размеры:
- Геометрические размеры кузова SMART fortwo 2007-2015, как проекционные, так и непосредственного измерения, в том числе диагональные размеры проемов кузова и контрольные точки для восстановления геометрии кузова. Рассмотрены кузова Купе и Кабриолет.
Файлы
2013_SMART_Fortwo__2DR.pdf
2013_SMART_Fortwo__Convertible.pdf
2015_Smart_fortwo_Convertible.pdf
2015_Smart_fortwo_Coupe.pdf
Обратите внимание: все файлы многостраничные.
В галереи товара представлены эскизы изображений уменьшенного объема.
Покупателю высылаются PDF файлы исходного качества.