






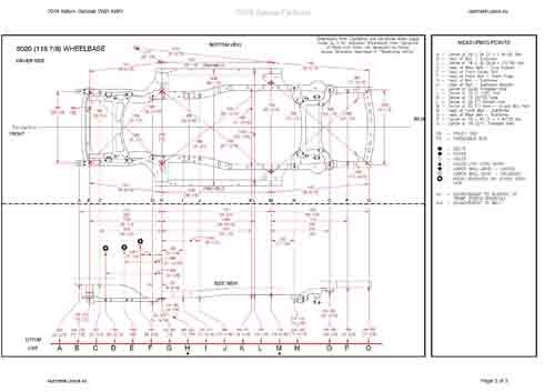
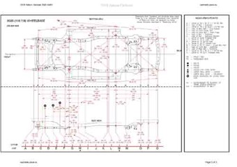
Контрольные кузовные размеры:
- Геометрические размеры кузова SATURN Outlook 2006-2010, как проекционные, так и непосредственного измерения, в том числе диагональные размеры проемов кузова и контрольные точки для восстановления геометрии кузова.
Файлы
2008_Saturn_Outlook_2WD_AWD.pdf
2010_SATURN_Outlook__4DR__2WD.pdf
2010_SATURN_Outlook__4DR__AWD.pdf
Обратите внимание: все файлы многостраничные.
В галереи товара представлены эскизы изображений уменьшенного объема.
Покупателю высылаются PDF файлы исходного качества.