






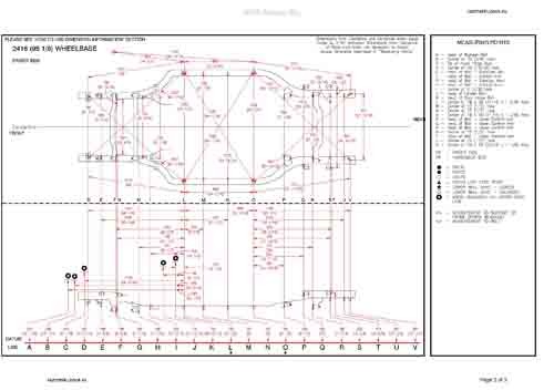
Контрольные кузовные размеры:
- Геометрические размеры кузова SATURN Sky 2006-2009, как проекционные, так и непосредственного измерения, в том числе диагональные размеры проемов кузова и контрольные точки для восстановления геометрии кузова.
Файлы
2008_Saturn_Sky.pdf
2009_SATURN_Sky__Convertible.pdf
Обратите внимание: все файлы многостраничные.
В галереи товара представлены эскизы изображений уменьшенного объема.
Покупателю высылаются PDF файлы исходного качества.