









Контрольные кузовные размеры:
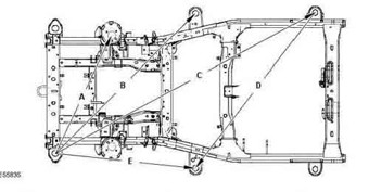
- Из официального водства по ремонту кузова LAND ROVER Range Rover Sport (L320) 2005-2013, в том числе размеры проемов кузова. Дополнительно приведены сведения о допустимых зазорах кузовных панелей.
Файл LAND_ROVER_Range_Rover_Sport_(L320)_2005-2013.pdf
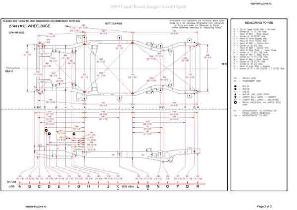
- Геометрические размеры кузова LAND ROVER Range Rover Sport 2005-2013, как проекционные, так и непосредственного измерения, в том числе диагональные размеры проемов кузова и контрольные точки для восстановления геометрии.
Файлы
2006_LAND__ROVER_Range__Rover_Sport.pdf
2013_LAND__ROVER_Range__Rover_Sport.pdf
2009_LAND_ROVER_Range_Rover_Sport.pdf
В галереи товара представлены эскизы изображений уменьшенного объема.
Покупателю высылаются PDF файлы исходного качества.