






Контрольные кузовные размеры:
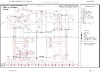
- Геометрические размеры кузова DODGE Challenger (LC) 2008-2010-2014, как проекционные, так и непосредственного измерения, в том числе диагональные размеры проемов кузова и контрольные точки для восстановления геометрии кузова.
Файлы
2008_Dodge_Challenger_Coupe_V6V8_(Includes_SRT).pdf
2009_DODGE_Challenger__2DR.pdf
2013_DODGE_Challenger__2DR.pdf
2013_Dodge_Challenger_Coupe_V6V8_(Includes_SRT).pdf
Обратите внимание: все файлы многостраничные.
В галереи товара представлены эскизы изображений уменьшенного объема.
Покупателю высылаются PDF файлы исходного качества.