









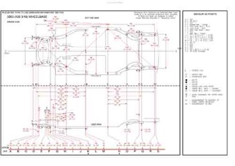
Контрольные кузовные размеры:
- Из официального руководства по ремонту кузова DODGE Charger (LD) 2010-2014--, в том числе диагональные размеры проемов.
Файл Dodge_Charger_2015_Body.pdf
- Геометрические размеры кузова DODGE Charger (LD) 2010-2014--, как проекционные, так и непосредственного измерения, в том числе диагональные размеры проёмов кузова и контрольные точки для восстановления геометрии кузова.
Файлы
2013_Dodge_Charger.pdf
2021_Dodge_Charger.pdf
Обратите внимание: все файлы многостраничные.
В галереи товара представлены эскизы изображений уменьшенного объема.
Покупателю высылаются PDF файлы исходного качества.