






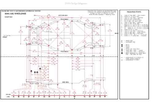
Контрольные кузовные размеры:
- Геометрические размеры кузова DODGE Magnum (LX) 2003-2008, как проекционные, так и непосредственного измерения, в том числе диагональные размеры проемов кузова и контрольные точки для восстановления геометрии кузова.
Файлы
2008_DODGE_Magnum__Wagon__2WD.pdf
2005_DODGE_Magnum__Wagon__AWD.pdf
2006_DODGE_Magnum__Wagon__2WD.pdf
2008_Dodge_Magnum.pdf
Обратите внимание: все файлы многостраничные.
В галереи товара представлены эскизы изображений уменьшенного объема.
Покупателю высылаются PDF файлы исходного качества.