








Контрольные кузовные размеры:
- Из официального руководства по ремонту кузова INFINITI M35, M37, M45, M56(Y51), в том числе диагональные размеры проемов.
Файлы
INFINITI_M35_-_M37_-_M45_-_M56__Body_Dim_USA_Canada.pdf
INFINITI_M35_-_M37_-_M45_-_M56__Body_Dim_Mexico.pdf
- Из официального руководства по ремонту кузова INFINITI M35h (Y51), в том числе диагональные размеры проемов.
Файл INFINITI_M35h_Hybrid_Body_Dim.pdf
-Полное руководство по кузовному ремонту моделей INFINITI M35, M37,M45, M56. 87 стр. на английском языке, включающее изображения сечений кузова, места резки с способы сварки элементов.
Файл INFINITI_M35_-_M37_-_M45_-_M56__Full_BRM_2013.pdf
-Полное руководство по кузовному ремонту моделей INFINITI M35h. 73 стр. на английском языке, включающее изображения сечений кузова, места резки с способы сварки элементов.
Файл INFINITI_M35h_Hybrid_Full_BRM.pdf
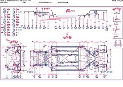
-Геометрические размеры автомобилей американского рынка, как проекционные, так и непосредственного измерения, в том числе диагональные размеры проемов кузова.
Файлы
2012_INFINITI_M35h__4DR__Sedan_USA.pdf
2013_INFINITI_M56__4DR__Sedan_USA.pdf
2012_INFINITI_M37x__4DR__Sedan_.pdf
Обратите внимание: все файлы многостраничные.
В галереи товара представлены эскизы изображений уменьшенного объема.
Покупателю высылаются PDF файлы исходного качества.