






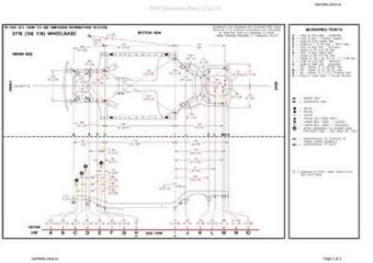
Контрольные кузовные размеры:
- Геометрические размеры кузова MERCEDES-BENZ CLK-Klasse (C209) 2002-2005-2010, как проекционные, так и непосредственного измерения, в том числе диагональные размеры проемов кузова и контрольные точки для восстановления геометрии кузова.
Файлы
2003_MERCEDES-BENZ_CLK320__2DR.pdf
2005_MERCEDES-BENZ_CLK500__2DR.pdf
2009_MERCEDES-BENZ_CLK350__2DR.pdf
2009_Mercedes-Benz_CLK550.pdf
Обратите внимание: все файлы многостраничные.
В галереи товара представлены эскизы изображений уменьшенного объема.
Покупателю высылаются PDF файлы исходного качества.