



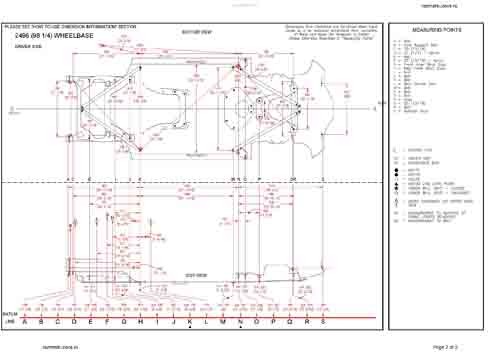
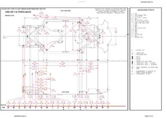
Контрольные кузовные размеры:
- Геометрические размеры кузова BMW Z4 (E89) 2009-2016, как проекционные, так и непосредственного измерения, в том числе диагональные размеры проемов кузова и контрольные точки для восстановления геометрии кузова.
Файл 2013_BMW_Z4.pdf
Обратите внимание: все файлы многостраничные.
В галереи товара представлены эскизы изображений уменьшенного объема.
Покупателю высылаются PDF файлы исходного качества.