Купить NISSAN Bluebird Sylphy (G11) 2005-2012 - Контрольные размеры кузова
Контрольные размеры кузова
Войти
Главная NISSAN
NISSAN Bluebird Sylphy (G11) 2005-2012

NISSAN Bluebird Sylphy (G11) 2005-2012

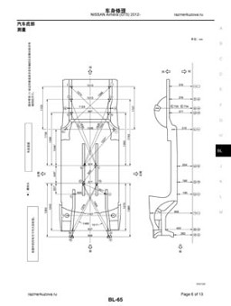
Контрольные кузовные размеры NISSAN Bluebird Sylphy (G11) 2005-2012 из официального руководства по ремонту кузова. В том числе диагональные размеры проемов кузова и контрольные точки для восстановления геометрии кузова. Дополнительно приведены допустимые значения зазоров кузовных панелей. Пояснения к чертежам даны на японском языке.
Файл Sylphy_(G11)_2005-2012.pdf

В галереи товара представлены эскизы изображений уменьшенного объема.
Покупателю высылаются PDF файлы исходного качества.

750 ₽
1 Файл
3,4 МБ