








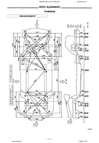
Контрольные кузовные размеры NISSAN Almera (N15) 1995-2000 из официального руководства по ремонту кузова. В том числе диагональные размеры проемов кузова и контрольные точки для восстановления геометрии кузова.
Файл NISSAN_Almera_N15_1995-2000.pdf
В галереи товара представлены эскизы изображений уменьшенного объема.
Покупателю высылаются PDF файлы исходного качества.