



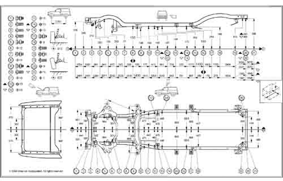
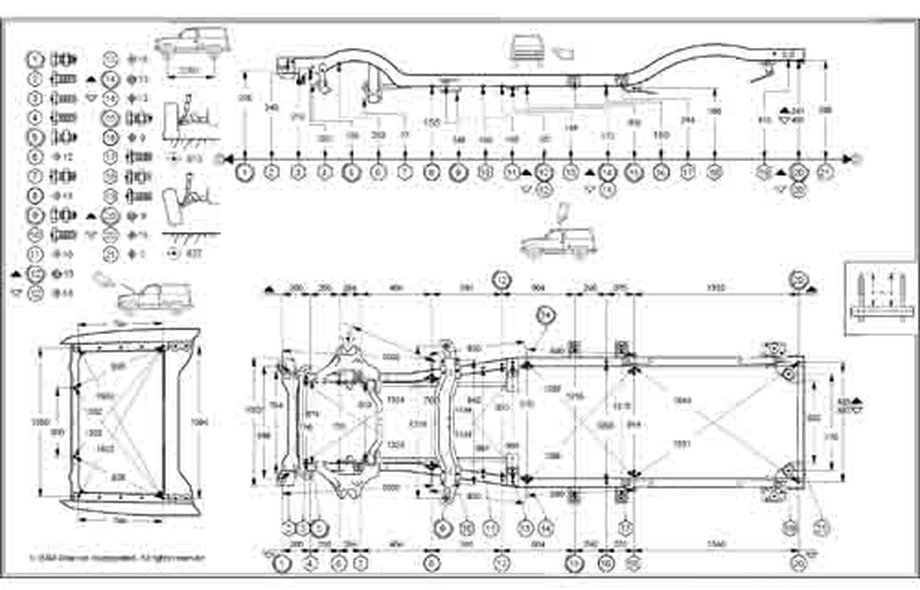
Контрольные кузовные размеры:
- Геометрические размеры кузова HONDA Passport 1993-1997 , как проекционные, так и непосредственного измерения, в том числе диагональные размеры проемов кузова и контрольные точки для восстановления геометрии кузова.
Файлы
1996_HONDA_Passport_2WD_4cylinder_MT_.pdf
1996_HONDA_Passport_2WD_6cylinder_MT_.pdf
1996_HONDA_Passport_2WD_AT_.pdf
1996_HONDA_Passport_4WD_AT_.pdf
1996_HONDA_Passport_4WD_MT_.pdf
Обратите внимание: все файлы многостраничные.
В галереи товара представлены эскизы изображений уменьшенного объема.
Покупателю высылаются PDF файлы исходного качества.